行业动态

网罗国内外“水下声呐探测仪”,你要的都在这里!

发布时间:2021-07-21  点击数:1220 次

                                                                                            (------转载自特种装备网2021.7.9)

 

     声呐技术至今已有100年历史,它是1906年由英国海军的刘易斯·尼克森所发明。他发明的第一部声呐仪是一种被动式的聆听装置,主要用来侦测冰山。这种技术,到第一次世界大战时被应用到战场上,用来侦测潜藏在水底的潜水艇。

  由于电磁波在水中衰减的速率非常的高,无法做为侦测的讯号来源,因此以声波探测水面下的人造物体成为运用最广泛的手段。无论是潜艇或者是水面船只,都利用这项技术的衍生系统,探测水底下的物体,或者是以其作为导航的依据。

  随着现代声呐技术的发展和进步,新一代声呐具有更领先的探测性能和更远的探测距离,一些高科技声呐还具有相当高的分辨率,能够识别蛙人和可疑水下航体。利用声呐技术进行探测的设备有:单波束回声测深仪、侧扫声呐、多波束成像、声呐式地形探测等。

 

  通过长期市场的调研,整理出目前国内外最常用的声呐供大家参考:

 

  声纳探测仪又叫声呐探测器,是一种利用声波在水下的传播特性,通过电声转换和信息处理,完成水下探测和通讯任务的电子设备,有主动式和被动式两种类型,属于声学定位的范畴。它利用水中声波对水下目标进行探测、定位和通信,是水声学中应用最广泛、最重要的一种装置。

 

  众所周知,我国水资源丰富,江海湖泊众多,随着社会不断的发展,现代水域警情逐年增多,出动警力逐年上升,事故类型逐步复杂化,于是水域救援这个字眼就进入了人们的视线。但是由于之前对水域时间并不重视,所以都是以人工救援为主,但是水下环境特殊,多暗礁,风浪,暴雨情况下水域浑浊让搜救难度加大。

 

  目前水下搜救方式大多是蛙人下水展开搜救工作或者通过水下机器人来搜救,但国内大部分搜救工作都是在江河、湖泊搜寻,浑浊水域难以找到溺水者,搜救时间过长也会对自身造成威胁,增加更多的生命财产损失。


 

  为改善水域救援的难题,在去年,水域救援发生了改革,随着全国各地的溺亡事件平平发生,各消防分局都加强了水域救援的装备支持,尤其在分析水域以及探测位置方面出台新的装备政策,深圳市新宏新也进行了市场调查,通过多次的实践对救援工作开展有很大的帮助。

  

  下面就介绍一下各种声呐探测仪它的用途到底是什么?适合在什么地方使用?

  第一类:手持声呐探测仪


  1、手持声呐测深仪

  这三款都属于便携式测深仪,测深范围:0.6-90米,非常精确、质量可靠。防水:达到50米,它对航海、捕鱼、潜水、海岸测量以及科学工作来说非常适用。从您的小艇上就可以很容易的发现深水,它还能确保巡航人员的安全抛锚。

 

  手持声纳设备为便携式、组合式的声纳系统,由声呐发射器和声呐接收器两部分组成,可实现发射和接收的操作。

  主要用途:声呐发射器可为潜水员在水下定位水下物体。

  工作深度:100m

  频率:3 kHz至97 kHz,带宽2 kHz,方向性(通常)30度

  电池:可充电的镍镉电池。

  工作时间:30小时

  特点:顶部带有指南针,方便在水下辨别方向, 整体为醒目的亮黄色,接收器带有枪式握把,潜水员可单手操作接收器。通过水下作业耳机和LED灯条提示信号强度,操作范围9656m。一个接收器可以在水下根据不同频率定位多个发射器。

  第二类:水下声呐生命探测仪

  水下声呐生命探测仪(重磅推出)

 

  产品名称:水下声呐生命探测仪(多波束)

  产地:中国深圳

  设备简介:

  16 英寸高清 IPS 触控显示屏一体机,内置高性能处理器及全功能声纳模组,可实现探头性能最大化。FHD1920*1080 像素的超高清分辨率,强光可视功能,佩戴太阳眼镜,于刺眼阳光下依然清晰看到屏幕显示。可以通过ClearVu下扫成像200英尺,SideVu侧扫成像125英尺。ClearVu高频声纳,采用CHIRP技术,可生成超清晰图像,能清楚呈现物体轮廓、结构及类别。CHIRP变频声纳优越的运算能力,有效提高回波分辨率和清晰度,提升目标可辨度,呈现效果大幅优于传统声纳产品。

  优点:

  1、是一款可以实时成像水下动态画面的声呐,真正可以实现水下一切有生命迹象的探测、无论水质再浑浊,都依稀可见。

  2、进口芯片、国内自主加工生产更符合消防应急、水上公安、海事局、海洋渔业等单位使用。

  3、高清触屏,支持雷达显示,适应各种环境的信号输出。

  4、性价比高、价格经济实用,交货期短。

  5. 具有移动目标自动追踪和实时动态显示功能。

  6. 适应性强,具有高冲击力和防水性IPX7,探测深度可到达3000米。

 

 

  第三类: 多波束成像声呐

 

  产品名称:多波束声呐成像探测仪

  产地:英国

  设备简介:

  1.由声呐传感器,地面工作站(包含软件)移动电源三部分组成。

  2. 采用线性调频脉冲压缩技术(CHIRP),声呐频率 720 kHz

  3. 防水能力:水下350米

  4. 角度分辨率:1.0°声学,0.25°有效

  5. 作业范围:0.2-120米,集成了水中声速测量仪,可准确确定测定距离

  6. 波束数量:512

  7. 空气中的重量 1.40公斤

  8.内置实时成像观测软件,可计算选中目标的尺寸大小,深度。

  9.带有移动目标自动追踪功能

  10.可改变颜色模式(不同颜色方便识别不同程度的阴影)

  优点:可储存扫描的图像形成图片或者视频回放优势:512束声波,720kHz高频传感器 ,动态实时传输 、紧凑便携 。

  缺点:进口产品,货期较长,价格太高

  


  产品名称:多波束声呐成像探测仪

  产地:英国

  设备简介:

  Oculus M系列多波束声纳是新一代紧凑型图像声呐,广泛应用于水下场景。Oculus M系列凭借小巧的外形和设计,使得它非常适合部署于 FindROV等小型水下机器人。同时,安装方便,已得到了广泛的认可和 行业应用。

  M750d 是一款通用双频750kHz/1.2MHz声纳,最大高达120米的远距离量程,用于导航和用于近场的高分辨率图像的目标物识别能力。

  优点:轻便小巧、高分辨率图像、安装方便

  缺点:进口产品,货期较长,价格太高

 

  以上二款多波束声像声呐都需通过XHX-ROV-6T这款中型水下搜救机器搭载使用。

 

  产品名称:水下搜救机器人

  产 地:中国深圳

  特点:采用铝合金雕刻成型主机身+聚乙烯边框,它轻便重量仅12KG、具有防撞能力,整体重量与在水中浮力刚好为最佳临界值。200万像素搭配4400流明LED补光灯,清晰捕捉水下每个细节。操作简单、采用的是6个推进器,作业水深300米,工作时间5小时,采用0浮力凯夫拉电缆,实时图传水下画面,预留端口可兼容所有成像成呐,便于水下搜救工作。

  第四类 声呐式水下地形探测仪

  声呐式水下地形探测仪(重磅推出)

 

  产品名称:声呐式水下地形探测仪

  产 地:中国深圳

  设备简介:

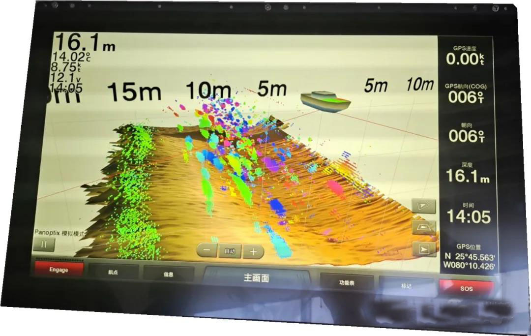
  1.该款超高清水下地形声纳探测仪通过配备CHIRP变频声纳模组以及换能器,能同步实时显示水下三维扫描图像,高分辨率回波,并通过独有的三维立体声呐成像系统将水下地形呈现出来,无论水流是否浑浊,都不会影响声呐信号的传播,是一款安全有效的水下观测设备,抗冲击,防水等级IPX6 和 IPX7在民用,军用,消防搜救领域,无论是水域安检,还是水下搜救,都广受好评。

  2. 观测对象:海底,湖底,河床等。

  优势特点:

  1、可调整发射功率,高达3kW CHIRP 变频声纳,探测深度可达 3,000 米

  2、显示屏的色彩过滤功能,通过自主选择声纳 回波图像的颜色,清楚分辨扫描目标。

  3、很直观的通过三维立体成像分析下水的地形地貌

  4、在海上开展作业,可实时绘制精确至 0.3 米的专属 水下地貌图轮廓线

  5、是一款经济实用的地形探测仪

  行业应用:

  1、水下安检,爆炸物排查

  2、溺水者或航物搜寻、危险物排查

  3、内河航道管理,航道障碍物扫测

  4、考古调查,水下古城及沉船搜寻

  5、珊瑚礁、人工鱼礁、水下养殖等检测

  6、电站、大坝等水下水工结构检查

  图像回传画面:

 

  第五类: 水下河床扫描仪

 

  产品名称:河床扫描仪

  产地:英国

  主要特点:

  1.超高分辨率,可以分辨出水下地形和沉没物呈现。

  2.是一款安全高效的水下环境观测设备。

  3.即插即用,可连接到任何电脑;

  4.提供GPS坐标,可以测量测物的深度和尺寸。

  5.可以安装在探杆上用于狭窄水域搜救。也可以安装在船尾进行深水搜救

  应用:针对海边或湖泊大面积搜救工作,更高效的进行水下环境观测。

  

  第六类: 水下侧扫声呐

 

  产品名称:水下侧扫声呐探测仪

  产 地:中国

  设备简介:

  侧扫声呐是一款小巧轻便,便携易用,超低功耗的高分辨率侧扫声呐,声呐频率是600kHz,每侧120米量程。系统包含强耐压拖鱼、高强度凯夫拉电缆、防水甲板和声呐软件。应用于:水下安全、危险目标排查,航道障碍物扫测。

 

  以上就是根据市场声呐分析比较常用到的六大类声呐产品。欢迎来电咨询。

 

上一条: 通信设备技术故障的分析与排除方法分析
下一条: 作战现场实时掌握!天眼单兵通信系统保证完成任务